外转子轴流风机YWFJ92-2E-25
产品详情
1.产品简介
YWF-J92-2E-25长轴外转子轴流风机的额定电压为220V,50Hz的单相电容电机。转速可达到2800rpm,噪音值却只有52dB(A)。该产品通过了TUV认证,采用免维护永久润滑深沟球轴承,电机平均寿命在30000小时以上。该款风机主要作为啤酒机、搅拌机、榨汁机和气泵等设备的配套部件使用。
糖心官方平台外转子轴流风机的分类、行业应用、结构特点、设计选用说明、风机型号说明、产品认证等信息详见:外转子轴流风机YWF系列产品概述
2.技术参数
| 型号 | 额定电压 | 频率 | 额定电流 | 输入功率 | 转速 | 电容 | 噪音 |
| YWF-J92-2E-25 | 220 | 50 | 0.29 | 60 | 2800 | 2 | 52 |
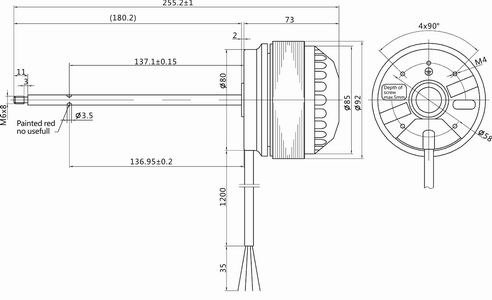
3.外形尺寸图

上一页:外转子轴流风机YWF900
下一页:塑料风叶高效节能外转子轴流风机







