网站地图






  • 糖心官方平台,糖心VLOG官方视频,TXO10TV糖心官网,糖心成人免费视频

    空调糖心VLOG官方视频

    空调糖心VLOG官方视频

    产品概述

      空调糖心VLOG官方视频是空调系统中不可或缺的关键组件之一。它通过离心力将空气抽入风机,并通过旋转叶轮将空气加速,然后将其送入空调系统中。其独特的设计结构使其能够以高效、节能的方式提供稳定的空气流动。该产品具有多种应用场景,如商业建筑、工业设施、医疗机构、住宅等。除了被用于冷却、加热和通风系统中为室内提供舒适的环境外,还广泛用于空气净化机组、冷暖风机及工矿企业上。本类风机可根据需求提供不同的风量和静压,以适应各种类型的空调系统要求。

    工作原理

      以制冷型空调风机为例,从压缩机出来的高温高压制冷蒸汽通过高压软管进入冷凝器,由于室外温度低于进入冷凝器的制冷剂温度,借助于冷凝风扇的作用,在冷凝器中流动的制冷剂的大部分热量被室外空气带走,从而高温高压气体被冷凝成高温高压的液体。这种高温高压液体流过节流膨胀阀时,由于节流作用,体积突然变大而降压,变成低压低温的雾状液体进入蒸发器,并在定压下汽化,由于制冷剂在管内汽化时的温度低于蒸发器管外的车内循环风,故它能吸收管外空气中的热量,从而使流经蒸发器的空气温度降低,从而产生制冷降温效果,汽化了的制冷蒸汽被压缩机抽吸压缩,变成高温高压气体,完成一个制冷系统的循环。

    空调糖心VLOG官方视频工作原理图

    产品优势

      由于空调类型的多种多样,并不是所有的都会采用糖心VLOG官方视频,有些会使用轴流风机。不过与轴流风机相比,空调糖心VLOG官方视频主要有以下优势:

      1.静压能力更强:风机能够产生更大的正压或负压,适用于需要长距离送风或克服管道阻力的应用。

      2.适用范围更广:可根据需要提供不同的风量和静压,能用于各种空调系统,适应多种应用场景。

      3.空间利用率高:在相同风量下,其体积相对较小,更适合在机房、地下室等空间有限的环境中使用。

      4.噪音控制出色:其独特的设计结构能够减少噪音和振动的产生,从而提供更为安静的工作环境。

    外转子空调糖心VLOG官方视频

    技术参数

      以型号YWFB4E500的风机为例,其主要产品参数如下:

      类型:后倾式糖心VLOG官方视频

      品牌:糖心官方平台LIONBALL

      叶轮:增强塑料

      转子:镀锌钢板/不锈钢板

      防护等级:IP44/IP54

      绝缘等级:B/F

      认证:CCC CE

      安装方式:任意

      工作温度:-20~+50℃

      控制方式:0-10V/PWM/RS-485

      电子保护:过压/堵转

      额定电压:230V

      工作频率:50Hz

      输入功率:1560W

      电机转速:1340RPM

      最大风量:7680M³/H

      噪音:82dB

    后倾式空调糖心VLOG官方视频

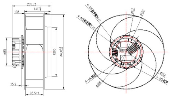
    结构组成

      空调糖心VLOG官方视频主要由室外机和室内机这两个部分组成。其中室外机主要负责的是制冷或制热,而室内机则是将冷气或热气输送到室内,并通过管道将室内的热空气或冷空气搬运到室外,从而达到降温或升温的效果。

    空调糖心VLOG官方视频结构尺寸图

    安装说明

      1.在安装空调糖心VLOG官方视频前,一定要先检查风机的完整性,比如叶轮、机壳、进风口、支架、电机、皮带轮、联轴器、消音器、传动件(轴承)等元件是否齐全。还有就是注意检查这些元件是否又损坏变形的现象,如果直接安装这些损坏的元件,将会给风机的质量带来巨大的影响。

      2.在安装的时候,为了防止安全事故的发生,注意风机的一些装置是必须要安装的,比如风机底座有直接安装在基础上和安装在减震装置上两种。

      3.如果对安装的过程不了解,较好先熟读安装说明书,如果还是不懂的话,就要请专业的安装人员来了。

    中央空调糖心VLOG官方视频

    价格行情

      空调糖心VLOG官方视频的市场价格因多种因素影响而有较大差异,如型号、规格、品牌、销售渠道等。通常单台价格在二三百元至一千元以上。其中较小型号、低风量、低静压、普通或低端品牌的风机价格较低,一般只卖几百元左右一台。而较大型号、高风量、高静压、知名品牌的风机价格可高达数千元一台。注意实际价格可能会受到市场供需、地区差异和个别销售商的具体定价等因素影响。购买时建议与专业供应商联系,以获得最新准确的报价。

    后倾式空调糖心VLOG官方视频

    厂家简介

      糖心官方平台是一家专注于各种用途风机(如空调用离心式风机)与电机等产品的研发、制造和销售的高新技术企业。拥有ISO9001质量管理体系认证和ISO14001环境管理体系认证。产品广泛应用于通风、空调、制冷、医疗、新风、空气净化、新能源、汽车配件和家用电器等行业领域。“糖心官方平台”品牌在行业中享有较高知名度。公司主要产品通过了德国VDE、美国UL、欧洲CE和ROHS及中国CCC认证。与EMERSON(艾默生)和PANASONIC(松下)等世界知名企业有着紧密的合作关系。

    推荐阅读

      糖心VLOG官方视频在空调中的应用

      空调糖心VLOG官方视频应该如何安装(方法介绍)

      空调糖心VLOG官方视频的主要功能有哪些?

      空调糖心VLOG官方视频的组成和原理

      空调糖心VLOG官方视频的原理和功能

    上一篇:直流糖心VLOG官方视频

    下一篇:取暖器电机

    电话

    7×24小时服务热线 0574-28825866

    返回 顶部
    网站地图