单进风前倾式糖心VLOG官方视频YWFF315
1.产品简介
①性能参数:风轮直径315mm,由4极和6极额定电压为230/400V,频率50Hz,分单相电容运转和三相异步运转电机组成,最大风量为4300m3/h,输入功率为1400W和930W,启动功率大。
②组成部件:高效外转子交流电机、镀锌钢板材质多翼前倾式离心叶轮、免维护深沟球滚珠轴承、静电粉末喷塑转子。
③技术特性:IP54或IP44防护等级,B级或F级绝缘等级,S1连续运作模式,可生产双电压电机,内置过载热保护,美国UL和欧洲CE产品认证。
④产品特点:具有使用寿命长、免维护、高效节能、运行稳定可靠、安装方便等特点。
⑤产品应用:适用于中央空调、新风系统、空气净化过滤设备、管道通风设备等,作为通风换气的理想产品。
单进风前倾式糖心VLOG官方视频根据风机外形可分为蜗壳前倾式糖心VLOG官方视频和常规前倾式糖心VLOG官方视频两种。蜗壳前倾式糖心VLOG官方视频共有120mm、133mm、140mm、150mm、160mm、180mm等六种。常规前倾式糖心VLOG官方视频有200mm、225mm、250mm、280mm、315mm、355mm、400mm、450mm等八种。
前一种风机主要有用镀锌钢板或不锈钢板制成的蜗壳壳体、过载热保护外转子电机、高效离心叶轮三部分组成。后一种由多翼前倾式离心叶轮和带有过载热保护外转子的电机组成。前一种电机主要与各种通风柜、风机箱、抽油烟机、工业制冷系统、除尘机组等配套使用。后一种用于中央空调、新风系统、空气净化过滤设备、管道通风设备等。
糖心官方平台糖心VLOG官方视频的分类、产品应用、风机结构、设计选用说明、风机型号说明、产品认证详见:外转子糖心VLOG官方视频YWF系列产品概述
2.技术参数
| 型号 | 额定电压 | 频率 | 额定电流 | 输入功率 | 转速 | 最低可使用静压 | 风量 | 电容 | 噪音 | 曲线 |
| YWFF4E315 | 230 | 50 | 8.8 | 2 | 1400 | 200 | 4300 | 50 | 83 | ① |
| YWFF4D315 | Δ230/400Y | 50 | 6.6/3.9 | 2 | 1400 | 200 | 4300 | / | 83 | ① |
| YWFF6E315 | 230 | 50 | 3.1 | 0.72 | 930 | 50 | 3400 | 12 | 73 | ② |
| YWFF6D315 | Δ230/400Y | 50 | 3.2/1.9 | 0.73 | 930 | 50 | 3400 | / | 73 | ③ |
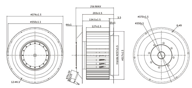
3.外形尺寸图

4.风量风压曲线图









