医用离心电机HC系列
产品详情
1.产品简介
HC系列医用离心电机是额定电压为110/220V,频率为50/60Hz的单相串励电动机,既可在直流电源上使用,又可在单相交流电源上使用。根据电机输出功率的不同,有25W、40W、80W、90W四种电机可供客户选择。转速最高可达到16000rpm,我公司可以根据客户需求设计制造不同转速的电机。
①产品特点:产品具有力能指标好、噪音低、振动小、温升低、转速平稳度高、控制方便等诸多优点。电机使用电源范围宽,可适应不同地区不同电压要求
②应用范围:产品主要用于离心式仪器,作为医疗化验检测之用。
③使用说明:
A.电机绝缘等级为B级。
B.电机的旋转方向可按用户要求生产
C.引出线的引线颜色、规格和长度可按客户要求生产
D.输出轴的长短可以按客户要求设计制作
E.工作电压及频率可按客户要求生产
2.技术参数
| 型号 | 额定电压 | 频率 | 额定电流 | 输出功率 | 转速 |
| HC25 | 220V | 50Hz | 0.4A | 25W | 4000 |
| HC40 | 220V | 50/60Hz | 0.6A | 40W | 4000 |
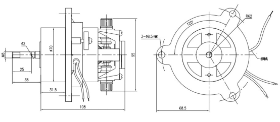
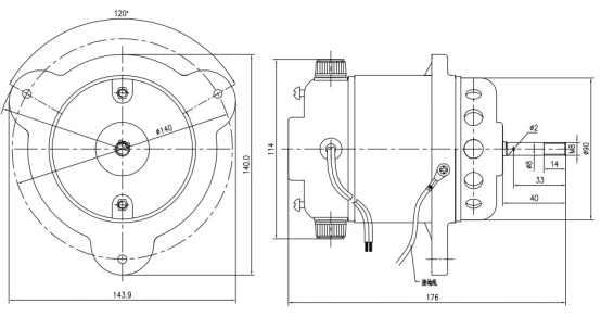
3.结构图纸


上一页:ECTXO10TV糖心官网Q20
下一页:缝纫机电机



