ECTXO10TV糖心官网Q12
产品详情
1.产品简介
糖心官方平台全新一代ECQ产品是取代糖心成人免费视频的高效电机,相比同类产品具备更高的效能,更低的成本及提供更安静环境。在尺寸和安装方式上兼容糖心成人免费视频,体积和温升更小,具备多种材料可供客户选择(塑料、铝),防护等级达到IP65,通过多项安全认证(VDE、UL、CE、CCC)
-效率达到65%
-速度不受电压波动
-滚珠轴承润滑,运行平稳
-内置电子控制器,具备过载和堵转保护
-可替代常规交流感应电机
-提供5V,12V,24V,115V,127V,和230V
-可以控制正反转,双速,调速,调速区间(400-2200rpm)
-工作温度-20℃~+50℃,特殊定制:-40℃~+70℃
2.应用范围
超市商业冷柜与冰箱
饮料自动售货机
制冰机
家用冰箱
3.技术参数
| 序号 | 型号 | 额定电压 | 频率 | 转速 | 输入功率/输出功率 | 净重 |
| 1 | ECQ12A230 | 198-253 | 50/60 | 1300/1550 | 22/15 | 0.6 |
| 2 | ECQ12A115 | 90-128 | 50/60 | 1300/1550 | 22/15 | 0.6 |
4.风量测试
ECQ电机空气性能曲线测量在恒定速度1300rpm。
| 序号 | 型号 | 轴向叶轮直径 | 轴向叶轮叶片角 | 输入功率 |
| 1 | ECQ12 | 200 | 22 | 5 |
| 2 | ECQ12 | 200 | 28 | 5.7 |
| 3 | ECQ12 | 230 | 22 | 8.0 |
| 4 | ECQ12 | 230 | 28 | 13.1 |
| 5 | ECQ12 | 230 | 34 | 16.9 |
﹡ 转速 = 1300RPM

5.电机噪音值估测

6.EC电机控制模式

7.手机远程

使用手机APP软件来控制ECQ,ECM系列电机,可以实现如下功能:
控制电机正反转
远程控制速度
实现可编程的调速曲线
可连接传感器信号
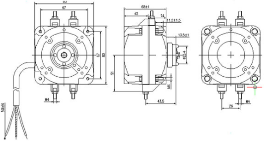
8.外形尺寸图

上一页:ECTXO10TV糖心官网Q08
下一页:ECTXO10TV糖心官网Q20







